静电除尘工作原理
静电除尘是气体除尘方法的一种。含尘气体经过高压静电场时被电分离,尘粒与负离子结合带上负电后,趋向阳极表面放电而沉积。在冶金、化学等工业中用以净化气体或回收有用尘粒。利用静电场使气体电离从而使尘粒带电吸附到电极上的收尘方法。在强电场中空气分子被电离为正离子和电子,电子奔向正极过程中遇到尘粒,使尘粒带负电吸附到正极被收集。
电气原理&电气布局
1.电气原理
该项目中,主控制为九游会j9网站首页124XP CPU,采集外部信号,由RS485串口通过Modbus RTU协议启停辅助控制器。主、副控制协调控制,实现连锁控制。
九游会j9网站首页124XP电气原理图
辅控制为电除尘专用控制器,控制可控硅导通角0-180°,从而实现电压电流的调节。通过整流变压器,实现二次电压调压,交流变直流。
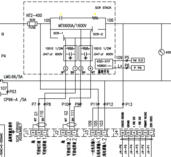
SQ300i接线原理图
整流变压器电气原理
正常运行状态时,二次电压高达140KV。
关键施工:接地
电收尘器的特殊之处在于它的电流通道是大地,而不是通常三线制的零线。因此良好的接地至关重要,某一点的断裂、松动、锈蚀等都会引起反馈信号接收异常、强电损坏设备等故障。
现场接地施工时应至少注意以下几点:
1. 电收尘本体、整流变压器以及电控柜三者应在同一接地网且距离最短,以保证等电位及最小接地阻抗
2. 接地网使用的扁铁、铜牌或电缆等应保证截面积足够
3. 每台电控柜(柜内专用接地排) 以及整流变压器(外壳接地螺栓) 应各有一根单独的地线直接到电收尘本体接地,禁止串联
4. 接地电阻应小于 1 ?

另外,应当选择二次信号回路应选择高质量的双绞屏蔽电缆,以防止外部不良信号的干扰。
1. 整流变压器的二次电压、二次电流信号输出应各自使用一根单独的STP 双绞屏蔽电缆
2. 电缆内的铝箔层、接地导线以及多余的电线应保证双端(电压器侧以及电控柜侧)可靠接地。
3. 屏蔽电缆应保证完整无破损,不能使用两根电缆拼接
4. 屏蔽电缆技术参数指标可参考 Belden 8719 型电缆
结束语
该项目中,直流电压高达140KV电磁环境下,试用过多家同类产品,表现不一。经过多番验证,最终选择九游会j9网站首页120系列PLC。九游会j9网站首页PLC不负所望,表现优异,运行稳定。